Materiaali: kuusi | Paino: 1740kg | Sisusta niin kuin haluat | Pinnoita niin kuin haluat |
Piharakennus 11
3300€
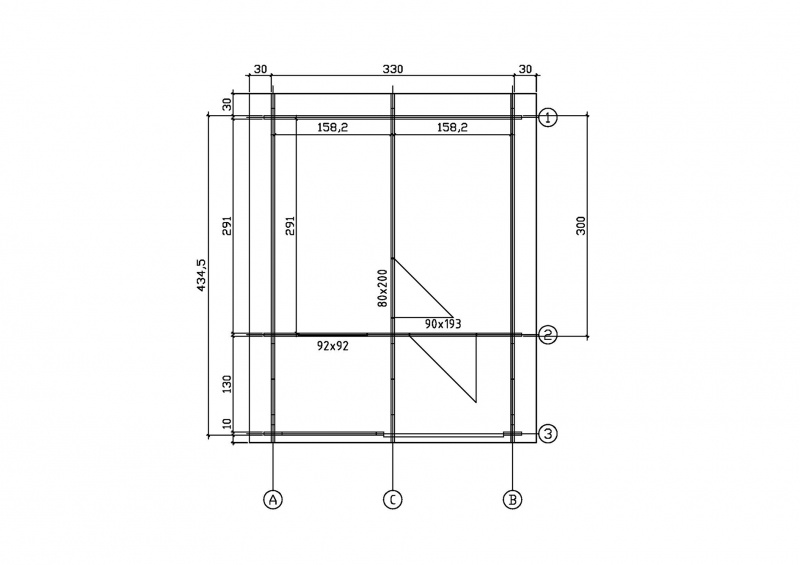
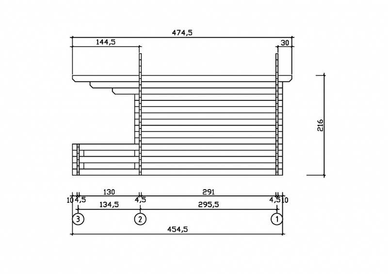
Tuotteen ominaisuudet:
- ulkomitat: 434,5 cm × 330 cm
- seinät 44 mm paksua kuusta
- katto ja lattia 19 mm
- kaksi lukittavaa lasielementillä varustettua ovea: ulko-oven koko 905 × 1900, sisäoven koko 80 × 200 (mahdollinen umpiovi)
- avattava lasielementti-ikkuna, koko 765 × 818
- mukana kokoamiseen tarvittavat ruuvit ja naulat
- kokoamisohjeet
Lisäpalvelut: kuljetus, asennus.
Toimitus puuvalmiina toimitussarjana.
PALAHUOPA EI SISÄLLY HINTAAN
