Materiaali: kuusi | Paino: 1070kg | Sisusta niin kuin haluat | Pinnoita niin kuin haluat |
Piharakennus 4
2070€
Tuotteen ominaisuudet:
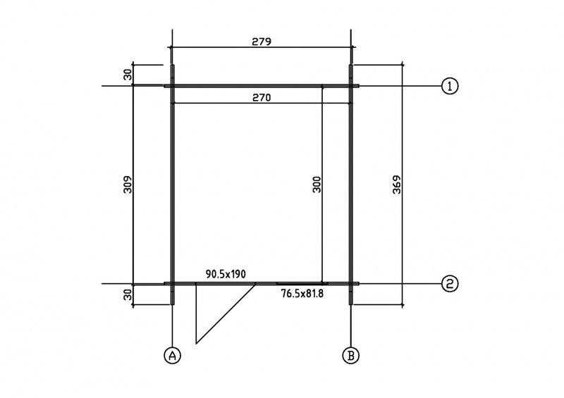
- ulkomitat: 309 cm × 279 cm
- seinät 44 mm paksua kuusta
- katto ja lattia 19 mm
- lukittava lasielementillä varustettu ovi, koko 905 × 1900 (mahdollinen umpiovi)
- avattava lasielementti-ikkuna, koko 765 × 818
- mukana kokoamiseen tarvittavat ruuvit ja naulat
- kokoamisohjeet
Lisäpalvelut: kuljetus, asennus.
Toimitus puuvalmiina toimitussarjana.
PALAHUOPA EI SISÄLLY HINTAAN
